Volume 39 Issue 1
May  2025
Turn off MathJax
Article Contents
CAI Liang, ZHANG Chunyan. Active balancing optimized topology and voltage balancing control strategy for three-level inverters with mid-point potential[J]. Journal of Shanghai University of Engineering Science, 2025, 39(1): 28-36. doi: 10.12299/jsues.24-0034
Citation: CAI Liang, ZHANG Chunyan. Active balancing optimized topology and voltage balancing control strategy for three-level inverters with mid-point potential[J]. Journal of Shanghai University of Engineering Science, 2025, 39(1): 28-36. doi: 10.12299/jsues.24-0034

Active balancing optimized topology and voltage balancing control strategy for three-level inverters with mid-point potential

doi: 10.12299/jsues.24-0034
  • Received Date: 2023-11-30
  • Publish Date: 2025-05-19
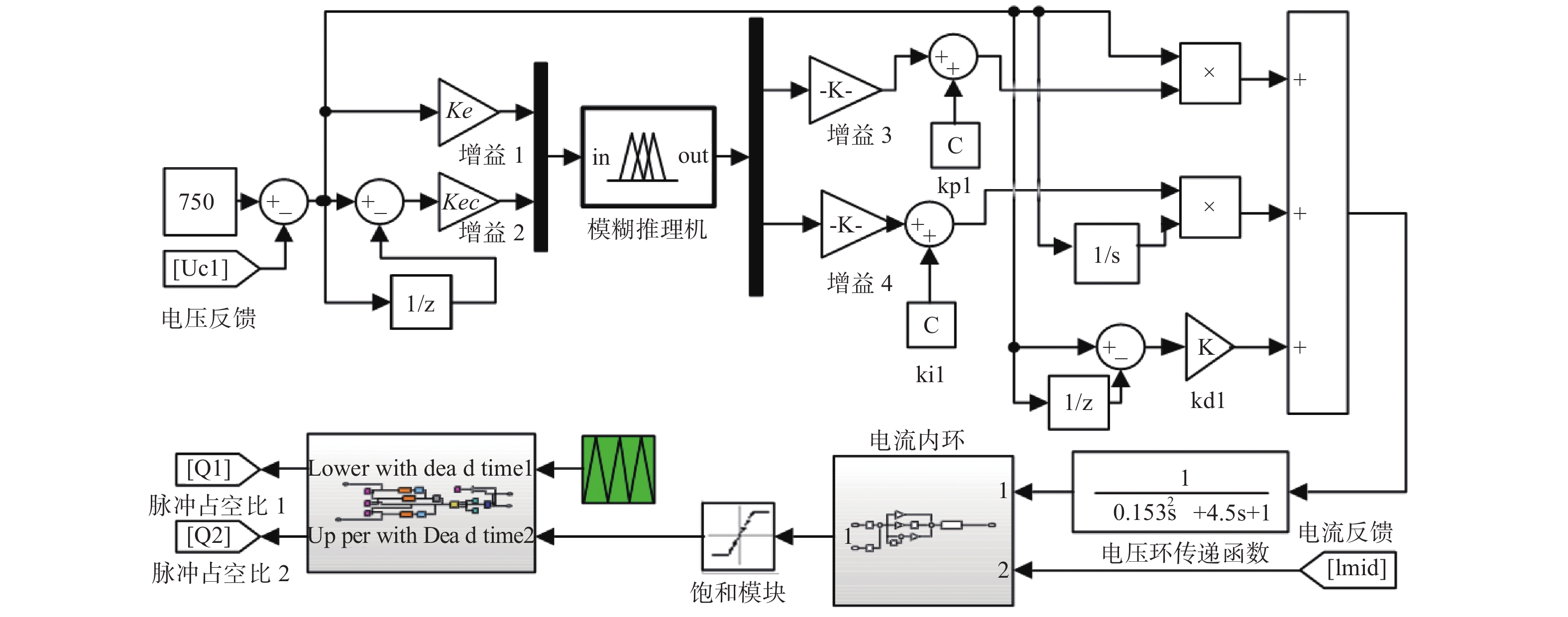
  • Aiming at the problem of unbalanced mid-point potential in T-type three-level inverters, the principle of unbalanced mid-point potential in traditional T-type neutral point clamped (NPC) three-level inverters was investigated. To address the mid-point potential imbalance caused by voltage variation on DC side, an optimized topology with an active mid-point potential balancing strategy and a fuzzy PI control were proposed. A simulation system model of the optimized topology T-type three-level inverter was established by Matlab/Simulink, simulation analyses with different control strategies were conducted, and a grid-connected experimental platform was set up to validate the proposed methodology. The simulation and experimental results demonstrate that the fuzzy PI control under the optimized topology can effectively suppress the mid-point voltage fluctuations, with the advantages of fast dynamic response and high response precision, enhancing the disturbance resistance and stability of the inverter system.
  • loading
  • [1]
    闫涛, 渠展展, 刘赟甲, 等. 新型中点钳位三电平电池储能变流器设计及控制系统[J] . 电力系统自动化,2015,39(3):103 − 109. doi: 10.7500/AEPS20130821001
    [2]
    邢相洋, 陈阿莲, 张子成, 等. 并联T型三电平逆变器环流抑制和中点平衡研究[J] . 中国电机工程学报,2016,36(14):3909 − 3920.
    [3]
    SCHWEIZER M, KOLAR J W. Design and implementation of a highly efficient three-level T-type converter for low-voltage applications[J] . IEEE Transactions on Power Electronics,2013,28(2):899 − 907. doi: 10.1109/TPEL.2012.2203151
    [4]
    PARK Y, SUL S K, LIM C H, et al. Asymmetric control of DC-link voltages for separate MPPTs in three-level inverters[J] . IEEE Transactions on Power Electronics,2013,28(6):2760 − 2769. doi: 10.1109/TPEL.2012.2224139
    [5]
    郭小强, 张学, 卢志刚, 等. 不平衡电网电压下光伏并网逆变器功率/电流质量协调控制策略[J] . 中国电机工程学报,2014,34(3):346 − 353.
    [6]
    宋文祥, 陈国呈, 武慧, 等. 一种具有中点电位平衡功能的三电平空间矢量调制方法及其实现[J] . 中国电机工程学报,2006(12):95 − 100. doi: 10.3321/j.issn:0258-8013.2006.12.017
    [7]
    张晓华, 葛兴来. 基于SHEPWM的三电平NPC逆变器中点电位平衡控制算法[J] . 电力系统自动化,2017,41(16):144 − 150. doi: 10.7500/AEPS20161212005
    [8]
    陈兮, 黄声华, 李炳璋, 等. 一种零序注入的三电平中点钳位型变换器中点电位平衡控制策略[J] . 电工技术学报 , 2019, 34(2) : 337−348.
    [9]
    周冠卿, 张国荣, 解润生, 等. 改进的三电平逆变器变虚拟空间矢量调制策略[J/OL] . 电力系统自动化 . (2022−10−26)[2022−12−25] . https://kns.cnki.net/kcms/detail/32.1180.TP.20221025.1008.007.html.
    [10]
    STALA R, PIROG S, BASZYNSKI M, et al. Results of investigation of multicell converters with balancing circuits: past one[J] . IEEE Transactions on Industrial Electronics,2009,56(7):2620 − 2628.
    [11]
    陈鹏飞, 唐芬, 吴学智, 等. 三电平并网变流器中点电位自平衡特性分析及拓扑改进[J] . 电力系统自动化,2019,43(24):171 − 180. doi: 10.7500/AEPS20190226002
    [12]
    张泽, 李蔚, 黄权威, 等. 轨道车辆三电平中点自平衡电路拓扑研究[J] . 铁道科学与工程学报,2022,19(1):256 − 264. doi: 10.19713/j.cnki.43-1423/u.t20210069
    [13]
    陈鹏飞, 唐芬, 赵宇明, 等. 载波交替层叠调制下三电平变流器中点自平衡能力分析与改进拓扑[J] . 电网技术,2021,45(2):758 − 769. doi: 10.13335/j.1000-3673.pst.2019.1964
    [14]
    黄英怀. 电力系统分析综合程序的用户自定义模型[J] . 广东电力,2002(5):46 − 48. doi: 10.3969/j.issn.1007-290X.2002.05.015
    [15]
    宋文祥, 陈国呈. 三电平中点箝位式逆变器SVPWM方法的研究[J] . 电工电能新技术,2004(4):30 − 33. doi: 10.3969/j.issn.1003-3076.2004.04.007
    [16]
    戴铭言, 许留伟, 吴亚楠, 等. 基于模糊控制的VSVPWM中点电位平衡策略[J] . 核聚变与等离子体物理,2022,42(4):418 − 425. doi: 10.16568/j.0254-6086.202204010
    [17]
    ZADEH L A. Fuzzy sets versus probability[J] . Proceed-ings of the IEEE,1980,68(3):421. doi: 10.1109/PROC.1980.11670
  • 加载中

Catalog

    通讯作者: 陈斌, bchen63@163.com
    • 1. 

      沈阳化工大学材料科学与工程学院 沈阳 110142

    1. 本站搜索
    2. 百度学术搜索
    3. 万方数据库搜索
    4. CNKI搜索

    Figures(13)  / Tables(2)

    Article Metrics

    Article views (946) PDF downloads(237) Cited by()
    Proportional views
    Related

    /

    DownLoad:  Full-Size Img  PowerPoint
    Return
    Return