Volume 39 Issue 2
Jun.  2025
Turn off MathJax
Article Contents
HAN Dongyu, WANG Anbin. Research on vibration control of building over rail transit depot by inerter system[J]. Journal of Shanghai University of Engineering Science, 2025, 39(2): 125-130. doi: 10.12299/jsues.24-0048
Citation: HAN Dongyu, WANG Anbin. Research on vibration control of building over rail transit depot by inerter system[J]. Journal of Shanghai University of Engineering Science, 2025, 39(2): 125-130. doi: 10.12299/jsues.24-0048

Research on vibration control of building over rail transit depot by inerter system

doi: 10.12299/jsues.24-0048
  • Received Date: 2024-03-03
    Available Online: 2025-09-30
  • Publish Date: 2025-06-30
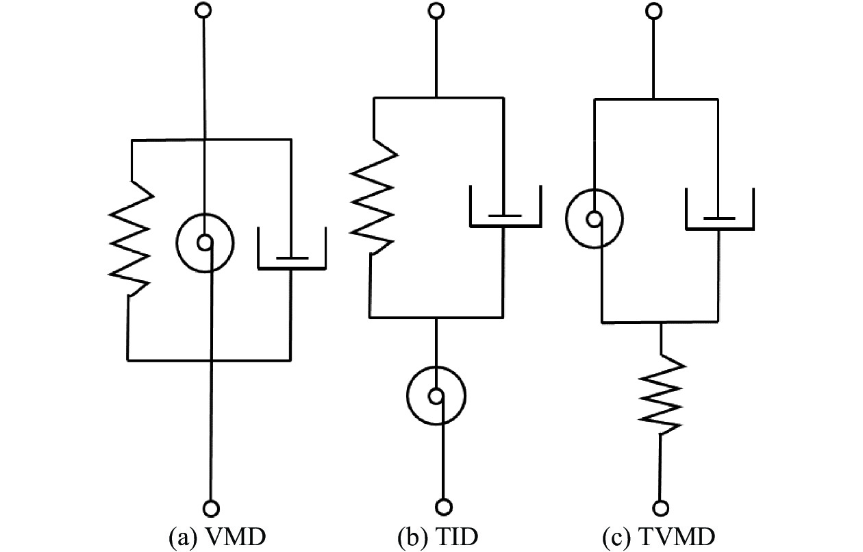
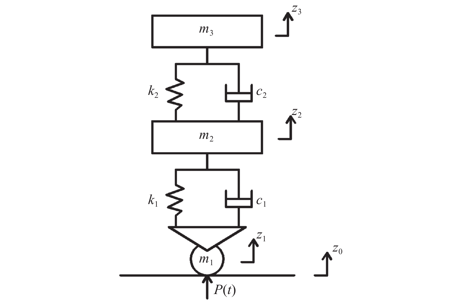
  • Focusing on inertance systems and double-deck rail transit vehicle depot superstructure buildings, a finite element model was established and validated, the effectiveness of different types and inertance-to-mass ratios of inertance systems in controlling the vibration of these superstructure buildings was investigated. The results indicate that the three types of inertance systems viscous mass damper (VMD), tuned inerter damper (TID) and tuned viscous mass damper (TVMD) can all effectively reduce the Z-weighted vibration level on each floor of the upper building, and the damping effect becomes more pronounced as the inertance-to-mass ratio increases. Inertance systems TID and TVMD with different inertance-to-mass ratios exhibit larger reductions in the Z-weighted vibration level, reaching 1 dB~3 dB; whereas VMD shows relatively weaker damping performance, with a reduction in the Z-weighted vibration level of approximately 1 dB.
  • loading
  • [1]
    张莉莉. 地铁邻近建筑三维隔振(震)支座力学性能试验及减振效应分析[D] . 上海: 上海大学, 2021.
    [2]
    夏靖. 车辆段上盖结构振动控制关键技术研究[D] . 青岛: 青岛理工大学, 2018.
    [3]
    曹志亮. 高架地铁车库—上盖物业振动舒适度与控制研究[D] . 南京: 东南大学, 2018.
    [4]
    赵娜. 地铁上盖物业的振动舒适度研究[D] . 武汉: 武汉理工大学, 2012.
    [5]
    袁葵. 地铁车辆段上盖建筑车致振动特性分析与隔振研究[D] . 武汉: 武汉理工大学, 2019.
    [6]
    丁超. 地铁上盖超高层结构多级竖向减振效果研究[D] . 广州: 广州大学, 2022.
    [7]
    邹超. 地铁车辆段及上盖建筑物振动传播规律及减振技术研究[D] . 广州: 华南理工大学, 2017.
    [8]
    郑照怡. 地铁上盖框架结构的隔振减振措施研究[D] . 广州: 华南理工大学, 2018.
    [9]
    张瑞甫, 曹嫣如, 潘超. 惯容减震(振)系统及其研究进展[J] . 工程力学, 2019, 36(10): 8 − 27.
    [10]
    孙晓静. 地铁列车振动对环境影响的预测研究及减振措施分析[D] . 北京: 北京交通大学, 2008.
    [11]
    刁兆顺. 惯容减震桥梁结构的控制机理及性能[D] . 烟台: 烟台大学, 2023.
  • 加载中

Catalog

    通讯作者: 陈斌, bchen63@163.com
    • 1. 

      沈阳化工大学材料科学与工程学院 沈阳 110142

    1. 本站搜索
    2. 百度学术搜索
    3. 万方数据库搜索
    4. CNKI搜索

    Figures(9)

    Article Metrics

    Article views (332) PDF downloads(38) Cited by()
    Proportional views
    Related

    /

    DownLoad:  Full-Size Img  PowerPoint
    Return
    Return